8b10b
背景
- 关于为什么要进行
8b10b编码,主要是为了直流平衡(dc balance),由于交流耦合会导致信号抖动、ISI等问题。可以参考8B/10B编码基本原理。本文基于1983年IBM的8b10b编解码的原文章A DC-Balanced, Partitioned-Block, 8B/10B Transmission Code | IBM Journals & Magazine | IEEE Xplore。 8b10b编码分为5b6b和3b4b两个部分,其编码逻辑如下图所示:
- 一般材料会采用
5b6b和3b4b如下的两个编码表,但却没有说明EDCBA到abcdei的命名方式,以及原本编码的具体逻辑。
原理分析
数据码
5b6b
D.x.y中的.x代表8b数据中5b的部分,比如D.13.y就是5'b01101。
5b6b的编码逻辑:
- 将
5b数据EDCBA倒为ABCDE,最后一位I统一补0,形成ABCDEI - 观察
ABCDEI的0,1数量是否平衡,0,1平衡(各3个),直接输出abcdei=ABCDEI0,1不平衡,根据码表进行比特位翻转- 码表无标红比特位,直接输出
abcdei=ABCDEI - 码表有标红比特位,翻转对应比特位
- 码表无标红比特位,直接输出
举例:
-
D.11.y:EDCBA=01011,倒转补0后ABCDEI=110100,0,1平衡,不需要翻转码字,abcdei=ABCDEI=110100 -
D.18.y:EDCBA=10010,倒转补0后ABCDEI=010010,0,1不平衡,根据码表翻转码字I,abcdei=ABCDEI'=010011 -
D.24.y:EDCBA=11000,倒转补0后ABCDEI=000110,0,1不平衡,根据码表翻转码字C和E,abcdei=ABC'DE'I=001100 -
D.30.y:EDCBA=11110,倒转补0后ABCDEI=011110,0,1不平衡,根据码表,不需要翻转码字,abcdei=ABCDEI=011110 -
D.31.y:EDCBA=11111,倒转补0后ABCDEI=111110,0,1不平衡,根据码表翻转码字B、D和I,abcdei=AB'CD'EI'=101011
3b4b
D.x.y代表中的.y代表8b数据中3b的部分,比如D.x.4就是3'b100。
3b4b的编码逻辑:
- 将
3b数据HGF倒为FGH,最后一位J统一补0,形成FGHJ - 观察
FGHJ的0,1数量是否平衡,0,1平衡(各2个),直接输出fghj=FGHJ0,1不平衡,根据码表进行比特位翻转- 码表无标红比特位,直接输出
fghj=FGHJ - 码表有标红比特位,翻转对应比特位
- 码表无标红比特位,直接输出
举例:
-
D.x.3:HGF=011,翻转补0后FGHJ=1100,0,1平衡,不需要翻转码字,fghj=FGHJ=1100 -
D.x.1:HGF=001,翻转补0后FGHJ=1000,0,1不平衡,根据码表翻转码字J,fghj=FGHJ'=1001 -
D.x.4:HGF=100,翻转补0后FGHJ=0010,0,1不平衡,根据码表,不需要翻转码字,fghj=FGHJ=0010 -
D.x.7:-
D.x.P07:HGF=111,翻转补0后FGHJ=1110,0,1不平衡,根据码表,不需要翻转码字,fghj=FGHJ=1110 -
若
D.x.P07有码流不平衡风险,则使用D.x.A07(Alternative,备用码)根据码表翻转码字F和J,fghj=F'GHJ'=0111 -
关于
D.x.P07和D.x.A07,后续章节会详细讲解。
-
数据极性
不论是5b6b编码,还是3b4b编码,其编码均有属性叫做极性(disparity),极性代表这个码字0和1的数量多少。
5b6b举例:
D.24.y,其6b编码为001100,0比1的数量多2,其极性为-,实际为-2D.30.y:其6b编码为011110,1比0的数量多2,其极性为+,实际为+2D.11.y:其6b编码为110100,1和0的数量一样,其极性为空,实际为0
3b4b举例:
D.x.0:其4b编码为0100,0比1的数量多2,其极性为-,实际为-2D.x.7:其4b编码为1110或0111,1比0的数量多2,其极性为+,实际为+2D.x.6:其4b编码为0110,1和0的数量一样,其极性为空,实际为0
观察5b6b和3b4b的编码表可以发现,输出的6b编码和4b编码只存在两种形式:
-
极性码
0和1的数量不平衡的码字,编码表中不平衡数量仅为2,因此极性码的极性为±2001100(+2),011110(-2)等是6b极性码0100(+2),1110(-2)等是4b极性码
-
平衡码
-
0和1的数量平衡的码字,平衡码的极性为0 -
110100,101001等是6b平衡码 -
0110,0101等是4b平衡码
-
极性码
极性码按照码表编码,但最终输出的码字有两种。
- 直接编码出来原始的码字
- 直接编码后按位取反的码字
举例:
D.24.y,原始6b编码为001100,其极性为-,另一种码字为110011,其极性为+D.30.y:原始6b编码为011110,其极性为+,另一种码字为100001,其极性为-D.x.0:原始4b编码为0100,其极性为-,另一种码字为1011,其极性为+D.x.7:原始4b编码为1110,其极性为+,另一种码字为0001,其极性为-
极性码是±极性(positive/negative disparity)的。
平衡码
虽然平衡码都是0和1的数量平衡的码,但他们码字中0和1的间隔不一定一致,可简单分为两种。
-
完美平衡码(
Perfect Balance Code)6b编码:010101,010101,101100等4b编码:0101,1001等
-
不完美平衡码(
Imperfect Balance Code)6b编码:1110004b编码:1100
平衡码是0极性/空极性(zero/null disparity)的。
特殊极性码
前面讨论过,D.x.7是一种特殊的极性码,他有两种原始码字。
D.x.P07:原始4b编码为1110,其极性为+,另一种码字为0001,其极性为-D.x.A07:原始4b编码为0111,其极性为+,另一种码字为1000,其极性为-
这种特殊的极性码是为了码间的直流平衡设计的,关于D.x.P07和D.x.A07,可以参考示例2中的实际使用。
极性控制
运行极性
运行极性/运行不一致性(Running Disparity,RD),指的是在编码产生码流的过程中,实时的码流极性。
比如编码D.30.6+D.11.4的码流,运行极性(RD)分析如下:
- 编码过程:
011110+0110+110100+0010 - 假设初始极性为
-1,则运行极性(RD):RD = -1 + 2 + 0 + 0 - 2 = -1
运行长度
运行长度(Running Length,RL),指的是连续0或者1的数量,注意运行长度不止代表码字内的连续0,1数量,也代表码字间的连续0,1数量,是衡量整个数据流是否直流平衡的一种方式。
比如编码D.30.6+D.11.4的码流,运行长度(RL)分析如下:
- 编码过程:
011110+0110+110100+0010
控制原则1
控制直流平衡,有两个方面的考虑:
-2<RD<2,运行极性不超过±2,即总体码流的0,1数量相同RL<5,运行长度不超过5,即总体码流连续0,1数量不超过5
这里首先考虑RD的控制总体原则:
- 当前编码极性为空(
0),则继承码流极性,当前编码不变 - 当前编码极性非空(
±2),则保持码流极性平衡- 若当前编码与码流极性相同,则按位取反,翻转极性
- 若当前编码与码流极性相反,则保持编码,保持极性
简单来说,就是0多了补1,1多了补0,0、1一样多则不变的意思。
示例1
注意:从这里开始的所有示例均未按照
8b10b编码规则,即:
8b中后5b编码为6b在前,8b中前3b编码为4b在后而是直接按照常识的规则进行的编码,即:
8b中前5b编码为6b在前,8b中后3b编码为4b在后但总而言之,编码逻辑是一致的
假设发送码流8'h55,8'hC0,8'hF2,8'hF4,初始极性为RD=-1,编码极性简写为disp(disparity)
8'h55=8'b010101015B=5'b01010=5'd10,3B=3'b101=3'd5,D.10.55B编码:6B=6'b010101,disp=0,继承码流极性,RD=-1+0=-13B编码:4B=4'b1010,disp=0,继承码流极性,RD=-1+0=-1
8'hC0=8'b110000005B=5'b11000=5'd24,3B=3'b000=3'd0,D.24.05B编码:6B=6'b110011,disp=+2,保持极性(当前码流RD=-1),RD=-1+2=+13B编码:4B=4'b0100,disp=-2,保持极性(当前码流RD=+1),RD=+1-2=-1
8'hF2=8'b111100105B=5'b11110=5'd30,3B=3'b010=3'd2,D.30.25B编码:6B=6'b011110,disp=+2,保持极性(当前码流RD=-1),RD=-1+2=+13B编码:4B=4'b0101,disp=0,继承码流极性,RD=+1+0=+1
8'hF4=8'b111101005B=5'b11110=5'd30,3B=3'b100=3'd4,D.30.45B编码:6B=6'b011110,disp=+2,翻转极性(当前码流RD=+1),6B=6'b100001,disp=-2,RD=+1-2=-13B编码:4B=4'b0010,disp=-2,翻转极性(当前码流RD=-1),4B=4'b1101,disp=+2,RD=-1+2=+1
控制原则2
在控制原则1中,只讨论了RD控制,虽然正常的RD控制可保证RL<5,但一些特殊情况需要进行特殊控制。
不完美平衡码
不完美平衡码的定义参考平衡码。不完美平衡码也必须按极性码的做法保持码流极性平衡,保持或翻转编码。
6b不完美平衡码举例:
假设发送码流8'A8,8'h38,初始极性为RD=-1,编码极性简写为disp(disparity)
8'hA8=8'b101010005B=5'b10101=5'd21,3B=3'b000=3'd0,D.21.05B编码:6B=6'b101010,disp=0,继承码流极性,RD=-1+0=-13B编码:4B=4'b1011,disp=+2,保持极性(当前码流RD=-1),RD=-1+2=+1
8'h38=8'b001110005B=5'b00111=5'd7,3B=3'b000=3'd0,D.7.05B编码:6B=6'b111000,disp=0- 此时,如果按照
disp=0,继承码流极性,当前编码不变的话,则前面4B的1011和6B的111000会形成1011_111000,构成RL=5,即连续5个1 - 因此,按极性码的做法保持码流极性平衡,此时应翻转编码,
6B=6'b000111,disp=0,这样1011_000111,就不会有RL=5出现了 RD=+1+0=+1
- 此时,如果按照
3B编码:4B=4'b0100,disp=-2,保持极性(当前码流RD=+1),RD=+1-2=-1
4b不完美平衡码举例:
假设发送码流8'7B,初始极性为RD=-1,编码极性简写为disp(disparity)
-
8'h7B=8'b01111011-
5B=5'b01111=5'd15,3B=3'b011=3'd3,D.15.3 -
5B编码:6B=6'b010111,disp=+2,保持极性(当前码流RD=-1),RD=-1+2=+1 -
3B编码:4B=4'b1100,disp=0-
此时,如果按照
disp=0,继承码流极性,当前编码不变的话,则前面6B的010111和4B的1100会形成010111_1100,构成RL=5,即连续5个1 -
因此,按极性码的做法保持码流极性平衡,此时应翻转编码,
4B=4'b0011,disp=0,这样010111_0011,就不会有RL=5出现了 -
RD=+1+0=+1
-
-
D.x.7
由于D.x.7原始4b编码为1110,其极性为+,另一种码字为0001,其极性为-。
这种码字存在连续的111或者000,可能会与前一个6B的完美平衡码末尾的11或00构成RL=5,因此需要使用备用编码。
D.x.P07:原始4b编码为1110,其极性为+,另一种码字为0001,其极性为-(主要编码)D.x.A07:原始4b编码为0111,其极性为+,另一种码字为1000,其极性为-(备用编码)
举例:
假设发送码流8'h8F,初始极性为RD=-1,编码极性简写为disp(disparity)
8'h8F=8'b10001111-
5B=5'b10001=5'd17,3B=3'b111=3'd7,D.17.7 -
5B编码:6B=6'b100011,disp=0,继承码流极性,RD=-1+0=-1 -
3B编码:4B=4'b1110,disp=+2-
此时,如果按照
disp=+2,保持极性(当前码流RD=-1)的话,则前面6B的100011和4B的1110会形成100011_1110,构成RL=5,即连续5个1 -
但此时不能翻转编码,因为需要保持
RD平衡 -
因此需要
disp=+2但没有连续111的码字,即4B=4'b0111,这样100011_0111,就不会有RL=5出现了 -
RD=-1+2=+1
-
-
举例:
假设发送码流8'A8,8'5F,初始极性为RD=-1,编码极性简写为disp(disparity)
-
8'hA8=8'b101010005B=5'b10101=5'd21,3B=3'b000=3'd0,D.21.05B编码:6B=6'b101010,disp=0,继承码流极性,RD=-1+0=-13B编码:4B=4'b1011,disp=+2,保持极性(当前码流RD=-1),RD=-1+2=+1
-
8'h5F=8'b01011111-
5B=5'b01011=5'd11,3B=3'b111=3'd7,D.11.7 -
5B编码:6B=6'b110100,disp=0,继承码流极性,RD=+1+0=+1 -
3B编码:4B=4'b1110,disp=+2-
此时,如果按照
disp=+2,翻转极性(当前码流RD=+1)的话,则前面6B的110100和4B的0001会形成110100_0001,构成RL=5,即连续5个0 -
但此时不能翻转编码,因为需要保持
RD平衡 -
因此需要
disp=-2但没有连续000的码字,即4B=4'b1000,这样100011_1000,就不会有RL=5出现了 -
RD=+1-2=-1
-
-
以上所有的控制原则可以保证RL<5,完整的证明8b10b编码RL<5可以参考直流平衡。
示例2
在示例1的基础上,添加8'h3B,8'6F,即发送码流8'h55,8'hC0,8'hF2,8'hF4,8'h3B,8'h6F。
8'h3B=8'b001110115B=5'b00111=5'd7,3B=3'b011=3'd3,D.7.35B编码:6B=6'b111000,disp=0,翻转极性(当前码流RD=+1),6B=6'b000111,disp=0,RD=+1+0=+1(不完美平衡码)3B编码:4B=4'b0011,disp=0,继承码流极性,RD=+1+0=+1
8'h6F=8'b011011115B=5'b01101=5'd13,3B=3'b111=3'd7,D.13.75B编码:6B=6'b101100,disp=0,继承码流极性,RD=+1+0=+13B编码:4B=4'b1110,disp=+2,翻转极性(当前码流RD=+1),即4B=4'b0001,但前一个6B存在连续两个0,因此采用备用编码,4B=4'b1000,disp=-2,RD=+1-2=-1
控制码
控制码(控制字)是用于码流控制的码字,可以作为起始、结尾、分隔,部分码字还可以用于链路同步。
控制码采用与数据码不同的编码方式实现。
5b6b编码表:
3b4b编码表:
控制码主要分为两种,下面分别讨论。
K.28.y
K.28.y是指输入数据5B部分为5b'11100=5'd28类型的控制码。
K.28.y的构造逻辑是5b6b编码表中制造与数据不同的编码方式(数据码中不会出现cdei=1111/0000)。
单一性
注意,与数据不同的编码方式仅代表5b6b数据码中不会出现1111/0000,码间仍然可能组合出1111/0000,因此,这种码字在解码端可能会出现混淆。
举例:
假设发送码流8'h1F,8'h88,初始极性为RD=-1
D.3.7+D.17.06B=6'b110001+4B=4'b1110+6B=6'b100011+4B=4'b0100,码流为...1100011110100010100...- 可能误识别码流为
001111_0100,即K28.0
编码图:
码流图:
可以避免混淆的码字具备单一性(singularity)。
-
K28.1,K28.5以及K28.7具有特殊的标志位(RL2+RL5,即...0011111...或...1100000...),这在其他码字以及码间都不可能出现 -
因此,
K28.1,K28.5以及K28.7具备单一性(singularity) -
K28.1,K28.5以及K28.7也被称为逗号码(comma),只有逗号码可以用于链路同步,因为其他码不具备单一性(singularity)
K.28.y 极性
如果连续发送K.28.y,有两种情况:
-
0极性,单码保持,±码字选择根据上一次rd决定,类似不完美平衡码 -
±极性,双码翻转
同时,K28.7不能连续发送,会造成连续RL5,即...11111000001111100000...,一般实际使用K28.1,K28.5作为逗号码。
K.x.7
K.x.A07是指输入数据3B部分为3b'111=3'd111类型的控制码。
K.x.A07的构造逻辑是3b4b编码表中制造与数据不同的编码方式(数据码中不会出现eifghj=01_0111/10_1000)。
单一性
同样的,这种码字也不具备单一性(singularity)。这里就不举例了,可以参考K.28.y的例子。
K.x.7 极性
如果连续发送K.x.7,只有单码保持的平衡情况,±码字选择根据上一次rd决定,类似不完美平衡码
示例3
假设发送码流8'hC0,8'hE5,8'hE5(K),8'hE5(K),8'hBF,8'hBF(K),8'hBF(K),初始极性为RD=-1,编码极性简写为disp(disparity)
-
8'hC0=8'b110000005B=5'b11000=5'd24,3B=3'b000=3'd0,D.24.05B编码:6B=6'b110011,disp=+2,保持极性(当前码流RD=-1),RD=-1+2=+13B编码:4B=4'b0100,disp=-2,保持极性(当前码流RD=+1),RD=+1-2=-1
-
8'hE5=8'b111001015B=5'b11100=5'd28,3B=3'b101=3'd5,D.28.55B编码:6B=6'b001110,disp=0,继承码流极性,RD=-1+0=-13B编码:4B=4'b1010,disp=0,继承码流极性,RD=-1+0=-1
-
8'hE5=8'b11100101,K-
5B=5'b11100=5'd28,3B=3'b101=3'd5,K.28.5 -
5B编码:6B=6'b001111,disp=+2,保持极性(当前码流RD=-1),RD=-1+2=+1 -
3B编码:4B=4'b1010,disp=0,继承码流极性,RD=+1+0=+1 -
这种码字可以叫做
K.28.5+
-
-
8'hE5=8'b11100101,K-
5B=5'b11100=5'd28,3B=3'b101=3'd5,K.28.5 -
5B编码:6B=6'b001111,disp=+2,翻转极性(当前码流RD=+1),6B=6'b110000,disp=-2,RD=+1-2=-1 -
3B编码:4B=4'b1010,disp=0,继承码流极性,RD=-1+0=-1 -
这种码字可以叫做
K.28.5-
-
-
8'hBF=8'b10111111-
5B=5'b10111=5'd23,3B=3'b111=3'd7,D.23.7 -
5B编码:6B=6'b111010,disp=+2,保持极性(当前码流RD=-1),RD=-1+2=+1 -
3B编码:4B=4'b1110,disp=+2,翻转极性(当前码流RD=+1),4B=4'b0001,disp=-2,RD=+1-2=-1
-
-
8'hBF=8'b10111111,K-
5B=5'b10111=5'd23,3B=3'b111=3'd7,K.23.7 -
5B编码:6B=6'b111010,disp=+2,保持极性(当前码流RD=-1),RD=-1+2=+1 -
3B编码:4B=4'b0111,disp=+2,翻转极性(当前码流RD=+1),4B=4'b1000,disp=-2,RD=+1-2=-1
-
-
8'hBF=8'b10111111,K-
5B=5'b10111=5'd23,3B=3'b111=3'd7,K.23.7 -
5B编码:6B=6'b111010,disp=+2,保持极性(当前码流RD=-1),RD=-1+2=+1 -
3B编码:4B=4'b0111,disp=+2,翻转极性(当前码流RD=+1),4B=4'b1000,disp=-2,RD=+1-2=-1
-
直流平衡
下面完整讨论8b10b如何实现直流平衡(dc balance)。首先,在控制原则1中,已经提到了两个方面的考虑:
-2<RD<2,运行极性不超过±2,即总体码流的0,1数量相同RL<5,运行长度不超过5,即总体码流连续0,1数量不超过5
通过控制原则1已经可以实现-2<RD<2的目标,具体可以参考示例1,示例2和示例3。
因此接下来讨论如何保证RL<5。
RL分析
-
码内
RL- 观察
5b6b编码表,6b编码内部RL<=3; - 观察
3b4b编码表,4b编码内部RL<=3;
因此码内
RL<5。 - 观察
-
码间
RL-
6b+4b-
极性码 + 极性码
6b极性码码间RL<=3,根据控制原则1,4b极性码与6b极性必然相反,因此RL<=3。(e.g. 011000_1110) -
极性码 + 平衡码
6b极性码码间RL<=3。4b如果是完美平衡码,则码间RL<=1,因此总体RL<=4(e.g. 010111_1001)4b如果是非完美平衡码,根据控制原则2,4b平衡码与6b极性必然相反,因此总体RL<=3(e.g. 010111_0011)
-
平衡码 + 平衡码
6b平衡码码间RL<=3。4b如果是完美平衡码,则码间RL<=1,因此总体RL<=4(e.g. 000111_1001)4b如果是非完美平衡码,根据控制原则2,4b平衡码与6b极性必然相反,因此总体RL<=3(e.g. 111000_1100)
-
平衡码 + 极性码
-
-
4b+6b-
极性码 + 极性码
4b极性码码间RL<=3,根据控制原则1,6b极性码与4b极性必然相反,因此RL<=3。(e.g. 0111_011000) -
极性码 + 平衡码
4b极性码码间RL<=3。6b如果是完美平衡码,则码间RL<=2,因此总体可能出现RL=5(e.g. 0111_110100)6b如果是非完美平衡码,根据控制原则2,6b平衡码与4b极性必然相反,因此总体RL<=3(e.g. 0111_000111)
-
平衡码 + 平衡码
4b平衡码码间RL<=2。6b如果是完美平衡码,则码间RL<=2,因此总体RL<=4(e.g. 0011_110100)6b如果是非完美平衡码,根据控制原则2,6b平衡码与4b极性必然相反,因此总体RL<=2(e.g. 1100_111000)
-
平衡码 + 极性码
4b平衡码码间RL<=2。4b如果是完美平衡码,则码间RL<=1。6b极性码码间RL<=3。因此RL<=4(e.g. 1010_000110)4b如果是非完美平衡码,则码间RL<=2。根据控制原则1,6b极性码与4b极性必然相反,因此RL<=2(e.g. 1100_100111)
-
-
RL=5
根据上一章的分析,连续出现以下情况会存在RL=5:
-
完美平衡码,末尾
RL=2(e.g. 100011) -
D.x.A7(e.g. 100011_0111) -
完美平衡码,首部
RL=2。(e.g. 100011_0111_110100)
此情况为最极端的情况:
- 码流前后必为反极性的码字,码流不会出现异常
- 不会出现连续两次
RL=5的情况 - 不会出现与
K码混淆(K.28.y采用的是RL2+RL5,此情况只会出现RL1+RL5)
总体看来,8b10b编码,是直流平衡(dc balance)的,其绝大部分码流RL<=4,最极端情况下RL=5。
电路设计
编码器
5b6b编码
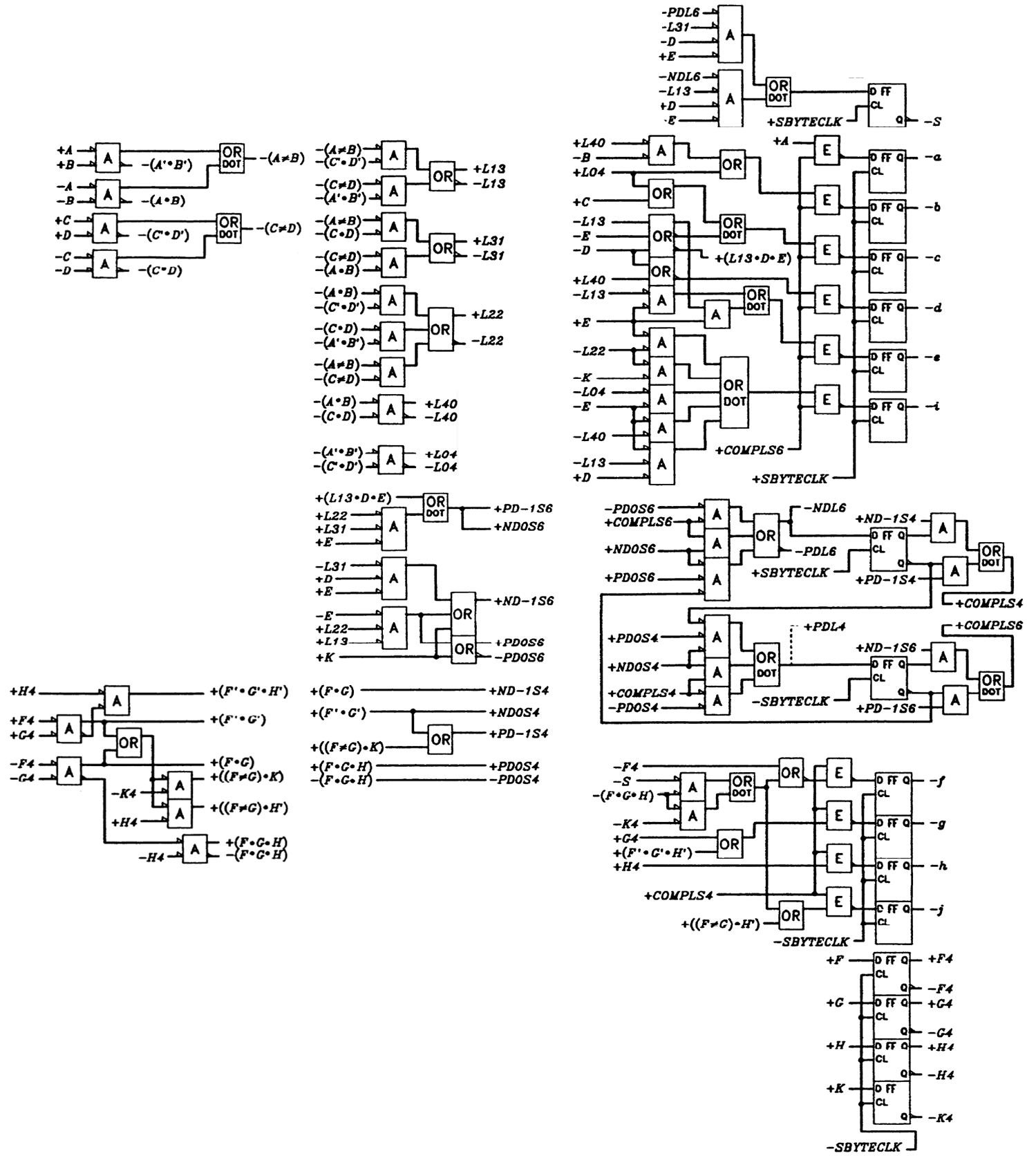
L 函数
L函数(L function),主要用于化简编码逻辑。观察表格中Bit Encoding列,里面就是L函数。其代表ABCD中的0和1的个数。
举例:
L04:ABCD包含0个1,4个0,即ABCD=0000,因此按布尔逻辑L04=A'B'C'D'L13:ABCD包含1个1,3个0,即ABCD=1000/ABCD=0100/ABCD=0010/ABCD=0001,因此按布尔逻辑L13=AB'C'D'+A'BC'D'+A'B'CD'+A'B'C'D = (A^B)C'D'+A'B'(C^D)L22:ABCD包含2个1,2个0,即ABCD=1100/ABCD=1010/ABCD=1001/ABCD=0110/ABCD=0101/ABCD=0011,因此按布尔逻辑L22=ABC'D'+AB'CD'+AB'C'D+A'BCD'+A'BC'D+A'B'CD = ABC'D'+A'B'CD+(A^B)(C^D)
电路图(其中A代表与门,OR代表或门):
编码逻辑
EDCBA倒为ABCDE,不需要编码- 最后一位
I统一补0,形成ABCDEI,不需要编码 - 根据码表标红比特位编码
abcdei(按Bit Encoding)- 如果从
0翻1(强制置1),则取或 - 如果从
1翻0(强制置0),则取与
- 如果从
举例:
a:观察输出码值列的a,没有标红位置,因此a = Ab:观察输出码值列的b,D.00(L04),D.15(L40),D.16(L04),D.31(L40)有标红位置,根据Bit Encoding列,b = B'L04+BL40' = L04 + BL40'e:观察输出码值列的e,D.01(L13E'),D.02(L13E'),D.04(L13E'),D.08(L13E'),D.08(L13E'),D.24(L13DE)有标红位置,根据Bit Encoding列,e = E'L13+E(L13DE)'i:观察输出码值列的i,D.03(L22E'),D.05(L22E'),D.06(L22E'),D.09(L22E'),D.10(L22E'),D.12(L22E'),D.16(L04E),D.17(L13D'E),D.18(L22E'),D.20(L22E'),D.31(L40E)有标红位置,根据Bit Encoding列,i = I'(L22E'+L04E+L13D'E+L40E)
电路图(其中A代表与门,OR代表或门):
3b4b编码
3b4b编码相对简单,不需要使用L函数(L function)简化逻辑,其编码逻辑与5b6b类似。
另外,由于存在D.x.A07(Alternative,备用码),因此需要编码时加入特殊编码标志(S,Special)。
举例:
f:观察输出码值列的f,D.x.A07(FGHS)有标红位置,因此f = F(FGHS)'g:观察输出码值列的g,D.x.00(F'G'H')有标红位置,根据Bit Encoding列,g = G+G'F'G'H' = G + F'G'H'j:观察输出码值列的j,D.x.01((F^G)H'),D.x.02((F^G)H'),D.x.A07(FGHS)有标红位置,根据Bit Encoding列,j = E'(F^G)H'+FGHS)+E = (F^G)H' + FGHS + E
电路图(其中A代表与门,OR代表或门):
K编码
K.28.y
同理,根据Bit Encoding列,K.28.y中,i = L22K。电路图参考之前的图。
K.x.7
同理,根据Bit Encoding列,K.x.7中
f = F(FGHK)'j = FGHK
电路图参考之前的图。
S编码
特殊的D.x.A07需要单独通过电路实现查找。主要是查找末尾带11/00的完美平衡码e.g. 100011。
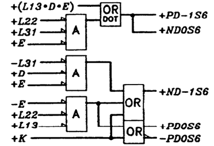
极性编码
注意到极性码以及不完美平衡码是需要翻转极性的,因此需要额外的电路进行实现。
极性计算
实际根据Disparity(D-1)列以及encoded disparity列进行实现。
5b6b极性计算:
根据Disparity列以及encoded disparity列,
ND-1S6代表下一编码需要-极性(Negative Disparity)PD-1S6代表下一编码需要+极性(Positive Disparity)- 以上两种都不是,则下一编码需要
0极性
另外,
ND0S6代表当前编码为-极性(与PD-1S6相同)PD0S6代表当前编码为+极性(与ND-1S6不同仅在于不完美平衡码)- 以上两种都不是,则当前编码是
0极性
3b4b极性计算:
根据Disparity(D-1)列以及encoded disparity列,
ND-1S4代表下一编码需要-极性(Negative Disparity)PD-1S4代表下一编码需要+极性(Positive Disparity)- 以上两种都不是,则下一编码需要
0极性
另外,
ND0S4代表当前编码为-极性(与PD-1S4不同仅在于K码)PD0S4代表当前编码为+极性(与ND-1S4不同仅在于不完美平衡码)- 以上两种都不是,则当前编码是
0极性
极性翻转
Running Disparity计算(以6b为例,4b同理):
- 当前极性为正
disp = +2(PD0S6),不翻转极性(COMPLS6'),则RD = +1 - 当前极性为负
disp = -2(ND0S6),翻转极性(COMPLS6),则RD = +1 - 当前极性为空
disp = 0(PD0S6'ND0S6'),极性继承,则RD = rd(上个编码)
极性翻转计算(以4b为例,6b同理):
- 运行极性为正
RD = +1,需要极性为负(ND-1S4),则翻转极性COMPLS4 = +1 - 运行极性为负
RD = -1,需要极性为正(PD-1S4),则翻转极性COMPLS4 = +1 - 运行极性为空
RD = 0,极性继承,则不翻转极性
电路图
总体电路图架构如下:
结合上述所有电路,编码器总体电路图如下:
解码器
解码逻辑
按照编码器的实现逻辑,可以按照解码器的码表进行电路搭建。
注意几点:
- 解码器收到的码字可能有
+或-两种 - 码表之外的码字代表异常
- 解码的
P函数(P function)类似编码的L函数(L function)
6b5b:
4b3b:
故障检测
原文给出了故障检测的几种检查方式:
- 所有码字必须保持
+2,-2或0极性 - 极性码必须调整运行极性
- 不完美平衡码(
D.7以及D.x.3)必须调整运行极性 - 通信结构中收尾必须含有逗号码
- 编码异常的电路包含如下(作者总结出来的简化结果):
a=b=c=dP13e'i'P31eif=g=h=je=i=f=g=hi≠e=g=h=j(e=i≠g=h=j)(c=d=e)'P31'ei'g'h'j'P13'e'ighj
帧结构
原文中推荐的帧结构形式为:
- 平时发空闲码(
D.21.5/D.10.2) - 起始和结尾发逗号码(
K.28.1/K.28.6/K28.7) - 帧间隔发其他控制码(
K.23.7/K.27.7/K29.7)
参考资料
[1] Widmer, A. X., and P. A. Franaszek. 1983. “A DC-Balanced, Partitioned-Block, 8B/10B Transmission Code.” IBM Journal of Research and Development 27, no. 5: 440-451.
完结撒花~2024/9/1












































